Dom > Produkty > Moduł dalmierza laserowego > Moduł dalmierza laserowego 1535nm > 7-kilometrowym module laserowego ranfinder (LRF)
7-kilometrowym module laserowego ranfinder (LRF)
  • 7-kilometrowym module laserowego ranfinder (LRF)7-kilometrowym module laserowego ranfinder (LRF)

7-kilometrowym module laserowego ranfinder (LRF)

STA-B0710X to ludzki moduł pomiaru odległości lasera, który może wykryć odległość docelową i przesyłać zmierzoną odległość do górnego komputera poprzez komunikację szeregową. Widoczność ≥ 15 km, współczynnik odbicia docelowego ≥ 0,3, wilgotność ≤ 80%, pojazd (2,3 m × 2,3 m do celu NATO) odległość ≥ 7 km; docelowe budynki maksymalnie ≥10 km.

Wyślij zapytanie

Opis produktu
Główne funkcje

(1) pojedynczy odległość i ciągłe;
(2) reagowanie na polecenia laserowe i może przestać w dowolnym momencie zgodnie z poleceniem Stop;
(3) dane dotyczące odległości i informacji o stanie raz na impuls podczas pomiaru odległości;
(4) może zgłaszać skumulowaną liczbę przesyłanych impulsów laserowych (brak utraty mocy w dół);
(5) wybór odległości, przednie i tylne wskazanie docelowe;
(6) Funkcja autotestu.

Wprowadzenie produktu

Moduł laserowy B0710X Rangefinder to wojskowy laserowy w zakresie pulsowy zaprojektowany do scenariuszy aplikacji, takich jak samoloty, bezzałogowe pojazdy powietrzne, zbiorniki i zakres. Ma małe, lekkie, niskie zużycie energii, stabilną wydajność, długą odległość pomiaru i długą żywotność, bezpieczeństwo wzroku człowieka i inne zalety, jest ważnym sprzętem technicznym w celu poprawy dokładności celowania produktu.

Indeks wydajności produktu dla modułu LRF B0710X

Przedmiot Parametr techniczny Instrukcja
Model STA-B0710X
Działająca długość fali 1535 ± 5 nm
Bezpieczeństwo wzroku Klasa 1 (IEC 60825-1)
Odbieranie przysłony Φ33mm
Przysłona emisji Φ14 mm
Zdolność w zakresie 50m-10 km
Zakres ≥14000 m Maksymalny zakres, współczynnik odbicia: 0,9, widoczność obserwatora 25 km
≥10000 m Budowanie celów, współczynnik odbicia: 0,6, widoczność obserwatora 25 km
≥7000 m Cel NATO
≥4500m Ludzki cel
≥1500m Cel UAV
Mini zakres 50m
Wykrywanie wielu celów Do 3 celu
Dokładność w zakresie ± 1m 3d
Częstotliwość w zakresie 1 ~ 10 Hz regulowany
Wskaźnik dokładności ≥98%
Fałszywa szybkość alarmu 1%
Kąt rozbieżności ≤0,3mrad
Interfejs komunikacyjny Rs422 Interfejs TTL/RS232 można dostosować
Woltaż 9 ~ 32 V. Napięcie wejściowe można dostosować zgodnie z wymaganiami
Siła robocza ≤3 W (@10 Hz) Normalny test temperatury
Moc szczytowa ≤5 W. Normalny test temperatury
Szok mechaniczny 75G, 1 ms
Temperatura pracy -40 ℃~+60 ℃
Temperatura przechowywania -45 ℃~+70 ℃
Niezawodność MTBF ≥ 1500H
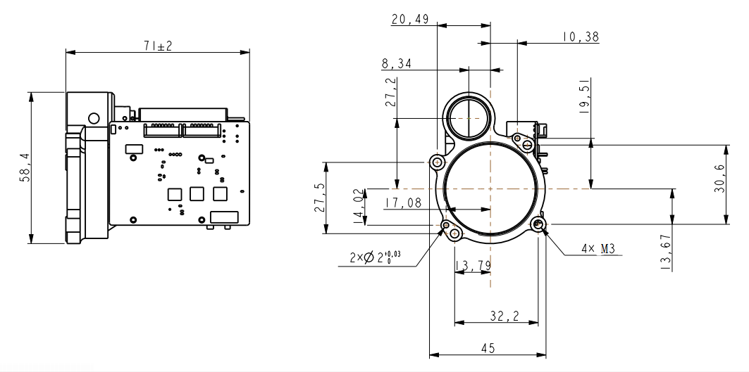
Rozmiar ≤73 × 45 × 59 mm
Waga ≤133 g
Główna funkcja Pierwszy i ostatni cel, wielopasmowy, selektywność odległości odległości

Uwagi:

1) rozmiar docelowy NATO 2,3 m × 2,3 m; Rozmiar docelowy człowieka 0,5 m × 1,7 m; Rozmiar docelowy UAV 0,2 m × 0,3 m; Współczynnik odbicia 30%, widoczność obserwatora ≥ 15 km

Interfejs instalacyjny struktury



Interfejs zewnętrzny

Szpilka Definicja Funkcjonować Notatki
1 Rx+ Odbiornik RS422 + Niebieski
2 Rx- Odbiornik RS422 - Zielony
3 Tx- Transmisja RS422 - Fioletowy
4 TX+ RS422 Transmission + Żółty
5 GND Drut uziemienia komunikacji Biały
6 Vee Zasilacz + Czerwony
7 GND Zasilacz - Czarny
8 PWN i / Popiół

Zdolność adaptacji środowiskowej

a) Temperatura pracy : -40 ℃~+60 ℃。
b) Temperatura przechowywania : -45 ℃~+70 ℃。
C) Losowe wibracje: 15 ~ 2000 Hz, 3 kierunki. Konkretne warunki testowe pokazano w tabeli 1.

Tabela 1 Warunki testu losowego wibracji

Numer seryjny Zakres częstotliwości (HZ) Gęstość widmowa przyspieszenia (G2/Hz) Czas wibracji (min)
1 15 ~ 190 0.01 Wibracje w każdym kierunku 15 minut
2 190 ~ 210 0.1
3 210 ~ 380 0.01
4 380 ~ 420 0.025
5 420 ~ 2000 0.01

Moduły i niestandardowe rozwiązania OEM/ODM

B0710X jest przeznaczony dla integratorów systemów szukających wygodnego, mocnego i kompaktowego rozwiązania laserowego. Zapewnia niezawodną wydajność w szerokim zakresie aplikacji.
Jest bardzo mały, ultra-światło, ma niskie zużycie energii i może być mierzone na dłużej. Jest odpowiedni do urządzeń ręcznych (obrazowanie termiczne), zastosowania montażowe broni, systemy przenośne i lekkie apartamenty czujników oraz bezzałogowe pojazdy powietrzne lub UGV.

Komunikowanie protokołu

1. Protokół transmisji: asynchroniczna komunikacja szeregowa;
2. Stawka portu: 115200;
3. Bity danych: 10 bitów: jeden bit startowy, 8 bitów danych, jeden bit stopu, nieprawidłowa weryfikacja;
4. Struktura danych: Dane składają się z bajtu nagłówka, części poleceń, długości danych, części parametru i bajtu sprawdzania;
5. Tryb komunikacji: Kontrola główna wysyła polecenia sterujące do komputera dystansowego, a komputer odbywa się i wykonuje instrukcje. W stanie dystansowym maszyna do rozbieżności wysyła dane i status maszyny rozmiarowej z powrotem do górnego komputera zgodnie z cyklem dystansowym. Format komunikacji i zawartość poleceń pokazano w poniższej tabeli.
A) Sterowanie główne wysyła
Format przesłania wiadomości jest następujący:

STX0 CMD Len Data1h Data1l Chk

Tabela 2 Opis formatu wysłanej wiadomości

numer zamówienia nazwa wyjaśnić kod uwagi
1 STX0 Wiadomość Flaga Start A5 (H)
2 CMD CW Patrz Tabela 3
3 Len Dl Liczba wszystkich bajtów oprócz znaku początkowego, słowa polecenia i sumy kontrolnej
4 Datah parametr Patrz Tabela 3
5 przyjazd
6 Chk Weryfikacja XOR Z wyjątkiem ważnego bajtu, wszystkie pozostałe bajty są XORED

Polecenie jest opisane w następujący sposób:
Tabela 3 Opis poleceń i słów danych wysyłanych przez Master na maszynę do odległości

numer zamówienia CW funkcjonować bajt danych uwagi długość Przykładowy kod
1 0x00 przerwać Datah = 00 (H) datalu = 00 (H) RangeFinder przestaje mierzyć Sześć bajtów A5 00 02 00 A7
2 0x01 Pojedynczy oddział Datah = 00 (H) datalu = 00 (H)
Sześć bajtów A5 01 02 00 00 A6
3 0x02 Ciągły odległość Datah = xx (h) datal = yy (h) Dane opisują okres rozdziału, w MS Sześć bajtów A5 02 02 03 E8 4E (1Hz Dystrybucja)
4 0x03 samoocena Datah = 00 (H) datalu = 00 (H)
Sześć bajtów A5 02 02 00 A4
5 0x04 Ustaw najbliższą odległość do wyboru Datah = xx (h) datal = yy (h) Dane opisują wartość strefy niewidomej, jednostka 1M Sześć bajtów A5 04 02 00 64 C7 (100m to najbliższa odległość)
6 0x06 Skumulowana liczba zapytań o wyjściowe światła Datah = 00 (H) datalu = 00 (H) Skumulowana liczba zapytań o wyjściowe światła Sześć bajtów A5 06 02 00 A1
7 0x11 APD Power jest włączony Datah = 00 (H) datalu = 00 (H)
Sześć bajtów A5 11 02 00 B6
8 0x12 APD Power jest wyłączona Datah = 00 (H) datalu = 00 (H)
Sześć bajtów A5 12 02 00 B5
9 0xeb Zapytanie o liczbę Datah = 00 (H) datalu = 00 (H) Zapytanie o liczbę Sześć bajtów A5 EB 02 00 00 4C

a) Kontrola główna odbiera format
Format otrzymanej wiadomości jest następujący:

STX0 CMD Len Dane Data0 Chk

numer zamówienia nazwa wyjaśnić kod uwagi
1 STX0 Wiadomość Start Flag 1 A5 (H)
2 Cmd_jg Słowo polecenia danych Patrz Tabela 5
3 Len Dl Liczba wszystkich bajtów oprócz znaku początkowego, słowa polecenia i sumy kontrolnej
4 Dn parametr Patrz Tabela 5
5 D0
6 Chk Weryfikacja XOR Z wyjątkiem ważnego bajtu, wszystkie pozostałe bajty są XORED

Opis statusu otrzymania kontroli głównej:
Tabela 5 opisuje słowo danych wysyłane przez RangeFinder do kontrolera głównego

numer zamówienia CW funkcjonować bajt danych uwagi całkowita długość
1 0x00 przerwać D1 = 00 (H) D0 = 00 (H)
Sześć bajtów
2 0x03 samoocena D8 ~ D1 D8-D7: -5 V Napięcie, jednostka 0,01 V.D6-D5: Wartość ślepa plamka, jednostka 1MD4: APD Wartość wysokiego napięcia, jednostka V; D3: Typ charakteru, wskazujący temperaturę APD, jednostka: stopnie celsus; D2-D1: +5V Napięcie, jednostka 0,01 V. 12 bajtów
3 0x04 Odległość do najbliższego ustawienia dostępu, jednostka M D1 D0 Dane opisują najbliższą wartość odległości, jednostka 1M; rozpocznij wysokie i kończą niskie Sześć bajtów
4 0x06 Skumulowana liczba zapytań o wyjściowe światła D3 ~ D0 Dane wyrażają liczbę świateł, 4 bajty, z pierwszym wysokim bajtem Siedem bajtów
5 0x11 APD Power jest włączony D1 = 00 (H) D0 = 00 (H) APD Power jest włączony Sześć bajtów
6 0x12 APD zasilanie D1 = 00 (H) D0 = 00 (H) APD Power jest wyłączona Sześć bajtów
7 0xed Praca nadgodzin 0x00 0x00 Laser jest pod ochroną pracy laserowej i nie można go zmierzyć. Sześć bajtów
8 0xee Błędy skuteczności 0x00 0x00
Sześć bajtów
9 0xef Limit czasu komunikacji portu szeregowego 0x00 0x00
Sześć bajtów
10 0x01 Pomiar pojedynczego zakresu (pojedynczy cel, zero dla drugiego i trzeciego celu, zero dla trzeciego celu na początku i na końcu celu) D9D8 D7 D6D5 D4 D3D2 D1 D0 D8-D6 Pierwsza odległość docelowa (jednostka 0,1 m) odległość D5-D3 do drugiego celu (jednostka: 0,1 m) D2-D0 trzecia odległość docelowa (jednostka 0,1 m) 3. Cele pochodzą z bliskiego bajtu flagi Fard9 (BIT7-BIT0): D9 to 7. pozycja wskazująca fala główną; 1: Istnieje fala główna, 0: Brak fali głównej. D9 to 6. pozycja wskazująca echo; 1: Istnieje echo, 0: Brak echod9 Piąta pozycja wskazuje status lasera; 1: Normalny laser, 0: Laser Faird9 jest czwartym flagą limitu czasu, 1: Normal, 0: Limit czasu czasowy jest nieprawidłowy w trzeciej pozycji (ustawiony na 1); D9 Druga pozycja wskazuje status APD; 1: Normal, 0: Errord9 jest pierwszą pozycją wskazującą, czy istnieje poprzedni cel; 1: Istnieje poprzedni cel, 0: Brak poprzedniego celu (cel w obszarze ślepym) .D9 0. bit wskazuje, czy istnieje późniejszy cel; 1: Istnieje późniejszy cel, 0: Brak kolejnego celu (celem po głównym celu jest późniejszy cel) 14 bajtów
11 0x02 Ciągły odległość (pojedynczy cel, zero dla drugiego i trzeciego celu, zero dla trzeciego celu na początku i na końcu celu) D9 D8 D7 D6D5 D4D2 D1 D0 D8-D6 Pierwsza odległość docelowa (jednostka 0,1 m) odległość D5-D3 do drugiego celu (jednostka: 0,1 m) D2-D0 trzecia odległość docelowa (jednostka 0,1 m) 3. Cele pochodzą z bliskiego bajt flagi FARD9 (BIT7-BIT0): D9 to 7. bit wskazujący na falę główną; 1: Istnieje fala główna, 0: Brak fali głównej. D9 to 6. pozycja wskazująca echo; 1: Istnieje echo, 0: Brak echod9 Piąta pozycja wskazuje status lasera; 1: Normalny laser, 0: Laser Faird9 jest czwartym flagą limitu czasu, 1: Normal, 0: Limit czasu czasowy jest nieprawidłowy w trzeciej pozycji (ustawiony na 1); D9 Druga pozycja wskazuje stan APD; 1: Normal, 0: Errord9 jest pierwszą pozycją wskazującą, czy istnieje poprzedni cel; 1: Istnieje poprzedni cel, 0: Brak poprzedniego celu (cel w obszarze ślepym) .D9 0. bit wskazuje, czy istnieje późniejszy cel; 1: Istnieje późniejszy cel, 0: Brak kolejnego celu (celem po głównym celu jest późniejszy cel) 14 bajtów
12 0xeb Zapytanie o liczbę D17 …… D0 D17 D16 D15 D14 D13 D12 Model całego maszyny Coded11d10 Numer produktu 22 bajtów
Uwaga: ① Niezdefiniowany bajt/bit, domyślnie to 0;

Gorące Tagi: 7-kilometrowym moduł laserowy (LRF), producenci, dostawcy, Chiny, producenci, producent
Powiązana kategoria
Wyślij zapytanie
Prosimy o przesłanie zapytania w poniższym formularzu. Odpowiemy ci w ciągu 24 godzin.
X
Używamy plików cookie, aby zapewnić lepszą jakość przeglądania, analizować ruch w witrynie i personalizować zawartość. Korzystając z tej witryny, wyrażasz zgodę na używanie przez nas plików cookie. Polityka prywatności
Odrzucić Przyjąć