Kamera termowizyjna z obiektywem 640x512 i obiektywem 45 mm do drona FPV
Kamera termowizyjna z obiektywem 640x512 i obiektywem 24 mm do drona FPV
Kamera termowizyjna z obiektywem 640x512 i obiektywem 13 mm do drona FPV
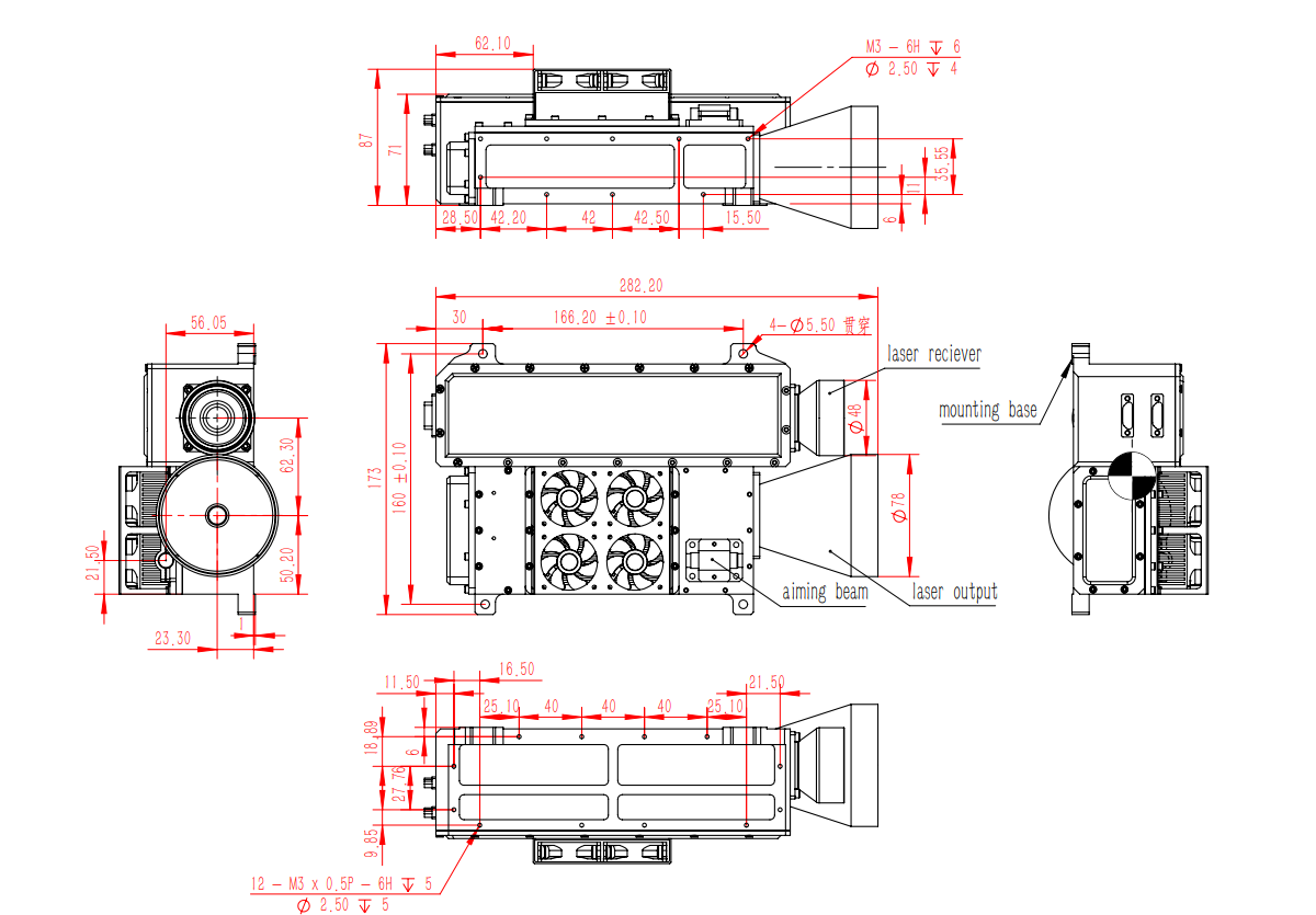
Kamera termowizyjna z obiektywem 640x512 i obiektywem 9,1 mm do drona FPVSTA-Z100M to wojskowy desygnator docelowego laserowego 100 mJ, który odgrywa kluczową rolę w precyzyjnych systemach celowania, zdolnych do zapewnienia precyzyjnych wskazówek dla inteligentnej amunicji. Za pośrednictwem zaawansowanego systemu optycznego oznacza cel wiązką laserową, zapewniając, że broń przewodnicząca może zniszczyć cel z wyjątkowo wysoką dokładnością i wydajnością.
| Główne parametry źródła światła laserowego | |
| Działająca długość fali | 1064 nm ± 1 nm |
| Tryb pompowy | Pompa boczna półprzewodnika |
| Częstotliwość napromieniowania | Dokładny kod 45ms - 125 ms (kod kontroli 20 Hz) |
| Metoda wyzwalacza | Oba int. wyzwalacz i ext. Wyzwalacz (opóźnienie wyzwalacza: 304us+-1us) |
| Energia wyjściowa | ≥100 mJ@20 Hz |
| MAX.Irradiation odległość | ≥12 km |
| Q Tryb przełączania | Elektrooptyczne przełączanie Q. |
| Szerokość pulsu | 10ns ~ 20ns |
| Kąt rozbieżności wiązki | Zastosowanie 0,15 MRAD (metoda akceptacji przyjmuje metodę otworu otworu, a stosunek dziury do otworu do otworów nie jest mniejszy niż 86,5%) |
| Stabilność energii pulsu | ≤8%(RMS) |
| Cykl pracy napromieniowania | Działa 90., w latach 60.; 4 cykle (normalna temperatura lub niska temperatura), 1 cykl (wysoka temperatura 60 ℃) |
| Zasilacz | DC 24 V ± 4 V. |
| Moc | <240 W (prąd w trybie gotowości normalnej temperatury: <2a, szczytowy prąd roboczy <10a, prąd w trybie gotowości wysokiej i niskiej temperatury <3,5A) |
| Port szeregowy komunikacji | Rs422 |
| Zewnętrzny interfejs spustowy | Dysk poziomu różnicowego 3V, interfejs RS422 (czas opóźnienia wynosi 304US +/- 1U od sygnału spustowego do lase) |
| Typ kodowania | precyzyjne kodowanie częstotliwości, kodowanie czasu, pseudo losowe kodowanie |
| Przy użyciu precyzji | <+-1us |
| Laserowe parametry | |
| Tryb w zakresie | 0 ~ 5 Hz |
| Maksymalna zmierzona odległość | > 30 km (widoczność 20 km, 2,3 x 2,3 m typowy cel, docelowa współczynnik odbicia> 20%) |
| Minimalna zmierzona odległość | 300m |
| Dokładność w zakresie | ± 5m |
| Zdolność adaptacji środowiskowej | |
| Niska temperatura | Temperatura robocza: -40C |
| Temperatura przechowywania: -45 ℃ | |
| Wysoka temperatura | Temperatura robocza: + 60 ℃ |
| Temperatura przechowywania: +65 ℃. | |
| Wilgotne ciepło | Wilgotność względna: 95%± 3%; |
| Temperatura: +35 ℃ ± 2 ℃ | |
| Czas przechowywania: 72 godziny. | |
| Uderzenie | |
| Wpływ fali | Pół pulsu sinusoidalnego |
| Szczytowe przyspieszenie | 10G |
| Szerokość pulsu | 11ms |
| Liczba wstrząsów | 3 w pionowym kierunku osiowym |
| Wibracja | |
| Zakres częstotliwości | 5 ~ 16 Hz Pojedyncza amplituda: 1,5 mm |
| 16 ~ 200 Hz (16 ~ 60 Hz dla urządzeń optycznych) przyspieszenie: 1,5 g | |
| Jeden czas skanowania | 12 minut |
| Czas trwania | pionowy osiowy 36 min |

| Szpilka | Definicja | Treść | Rodzaj sygnału | Uwagi |
| 1 | TX+ | RS422 Wyślij pozytyw (lokalny) | Wyjście | Komputer hosta obiektu |
| 2 | TX - | RS422 Wyślij negatyw (lokalny) | Wyjście | Komputer hosta obiektu |
| 3 | Rx+ | RS422 Otrzymuj pozytywne (lokalne) | Wejście | Object Górny komputer |
| 4 | RX - | RS422 Otrzymuj negatywne (lokalne) | Wejście | Object Górny komputer |
| 5 | GND | Ground Rs422 | Ziemia sygnału | Object Górny komputer |
| 6 |
|
|
|
Debugowanie producenta Special |
| 7 |
|
|
|
Debugowanie producenta Special |
| 8 |
|
|
|
Debugowanie producenta Special |
| 9 |
|
|
|
Debugowanie producenta Special |
| 10 |
|
|
|
Debugowanie producenta Special |
| 11 |
|
|
|
Debugowanie producenta Special |
| 12 |
|
|
|
Debugowanie producenta Special |
| 13 |
|
|
|
Debugowanie producenta Special |
| 14 |
|
Zewnętrzny system czasu + | Wejście | RS422 Różnica |
| 15 |
|
Tong czas zewnętrznego - | Wejście | RS422 Różnica |
| Numer pin | Definicja | Uwagi |
| A, b | 24 V. | Kolor drutu jest czerwony |
| PŁYTA CD | GND | Kolor drutu jest czarny |
| Zasilacz i zużycie energii | Zakres zasilania | 20V ~ 33 V, DC |
| Zużycie energii | Moc szczytowa to nie więcej niż 240 W, moc rezerwowa to nie więcej niż 60 W (temperatura pokojowa) | |
| Niezawodność | MTBF jest nie mniej niż 4000 godzin (całkowity czas strzelania jest większy niż 3 miliony) | |
| Bezpieczeństwo | Skonfiguruj urządzenie ostrzegawcze do pracy lasera | |
| Wyjście nadajnika laserowego jest wyposażone w oczywiste znaki ostrzegawcze | ||
| Sprzęt jest dobrze uziemiony | ||
| Utrzymanie możliwości | Wszystkie główne elementy funkcjonalne i sprzęt mają zarówno wskaźniki usterki, jak i wskaźniki do normalnego działania | |
| Średni czas naprawy MTTR wynosi nie więcej niż 20 minut | ||
| Wymagania dotyczące kompatybilności elektromagnetycznej | W procesie rozruchu systemu sprzęt może być kompatybilny z innym sprzętem w systemie i normalnie działać | |
| Temperatura | Temperatura robocza | -40 ℃ ~ +60 ℃ | ||||
| Temperatura przechowywania | -45 ℃ ~ +70 ℃ | |||||
| Wilgotne ciepło | Wilgotność względna | 95% ± 3% | ||||
| Temperatura | +25 ° C ± 2 ° C. | |||||
| Czas przechowywania | 72H | |||||
| Wibracja | Kształt widma wibracji (GRM = 6,06) | Od 20 Hz do 80 Hz | +3DB/OCT | |||
| 80 Hz do 350 Hz | G2/0,04 Hz | |||||
| 350 Hz do 2000 Hz | -3db/październik | |||||
| Kierunek i czas wibracji | Wibruj w dwóch kierunkach przez co najmniej 10 minut. (Wibracje w dwóch kierunkach, tj. Oś x, która jest również wzdłuż osi lasera i kierunku Z) | |||||
| Punkt sterowania | Należy wybrać w urządzeniu lub wstrząsającej powierzchni stołu w pobliżu maksymalnej sztywności produktu, duży sprzęt może użyć średniej kontroli wielopunktowej | |||||
| Punkt monitorowania | Punkt monitorowania powinien zostać wybrany w kluczowej części testowanej produktu, aby reakcja przyspieszania kwadratowego korzeni nie przekracza maksymalnej dopuszczalnej konstrukcji (GRM = 6,06) | |||||
| Wymagania instalacyjne | Próbka jest mocno przymocowana do stolika wstrząsającego, a w przypadku produktów wyposażonych w amortyzatory, amortyzatory należy usunąć przed testowaniem | |||||
| Kontrola wydajności | Podczas testowania wibracji z włączonym sprzętem wszystkie wskaźniki wydajności muszą spełniać wymagania techniczne określone w dokumencie projektowym. W przypadku awarii naprawy są dozwolone. Po naprawie wartość widmowa należy zmniejszyć do 0,01 g²/Hz, Grms = 3,03, a próbkę należy poddać wibracji w kierunku najbardziej podatnym na wibracje przez 10 minut podczas testu akceptacji. | |||||
| Cykl temperatury | Zakres temperatur | Test włączony | -40 ± 3 ℃ ~ +55 ± 2 ℃ | |||
| Szybkość zmiany temperatury | Wzrost temperatury | 10 ℃/min | ||||
| Chłodzenie | 10 ℃/min | |||||
| Czasy cyklu | Należy ukończyć dziesięć cykli, zapewniając, że ostatnie 2 cykle są bez wad. Jeśli uskok wystąpi podczas ostatnich 2 cykli, po naprawie wymagane są dodatkowe 2 cykle wolne od błędów. | |||||
| Czas cyklu | Jeden czas cyklu to 4h, jeden cykl obejmuje wzrost temperatury → Pobyt temperatury → chłodzenie → Pobyt temperatury → Wzrost temperatury | |||||
| Czas przebywania w wysokiej i niskiej temperaturze | Czas przebywania zależy od pojemności cieplnej próbki. Na podstawie zasady przepuszczalności termicznej lub zimnej produktu temperatura wewnętrzna próbki jest utrzymywana przez 5 minut po osiągnięciu stabilności | |||||
| Wymagania testowanego produktu | Ogólny test cyklu temperatury z całą maszyną powinien być jak najdalej, aby otworzyć pokrywę | |||||
| Sprawdź i napraw | W sprzęcie testowym mocy, po każdym teście cyklu temperatury, należy potwierdzić, że sprzęt jest wolny od uszkodzeń przed przejściem do następnego cyklu temperatury | |||||
| Wymagania dotyczące przechodzenia | Przejście odbywa się z całym sprzętem | |||||
| Wymagania transportowe | Sprzęt musi być transportowany jako cały pojazd | |||||
| Jeśli produkt nie został poddany testowi transportu drogowego, możesz wykonać test symulacji transportu wewnętrznego za pomocą tabeli transportu symulacyjnego. Ten test obejmuje przeprowadzenie sinusoidalnego testu wibracji cyklicznych w celu oceny wydajności produktu | ||||||
| Wymagania symulowanego testu tabeli transportowej są następujące | ||||||
| Warunki testowe | Częstotliwość | 5Hz ~ 200 Hz | ||||
| Amplituda | 5Hz ~ 7Hz | |||||
| Amplituda 12 mm ~ 8 mm | ||||||
| 7Hz ~ 200 Hz równe przyspieszenie 1,5 g | ||||||
| Dopuszczalne odchylenie testu wibracji jest takie same, jak szerokopasmowy test losowych wibracji | ||||||
| Kierunek | Pionowy kierunek i bok; orientacja: pionowy i boczny do osi | |||||
| Czas cyklu | log-skan 5 Hz ~ 200 Hz ~ 5 Hz, 12 minut na cykl; Gdy częstotliwość rezonansowa próbki jest mierzona poniżej 5 Hz, częstotliwość testu można rozszerzyć do 2Hz, 2Hz ~ 200 Hz ~ 2Hz skanowanie, czas skanowania powinien wynosić 15 minut. | |||||
| Po teście transportowym sprawdź wszelkie oznaki uszkodzeń lub rozluźnienia strukturalnego i przeprowadzaj kontrolę wskaźników technicznych, aby upewnić się, że spełniają wymagania projektowe | ||||||