Kamera termowizyjna z obiektywem 640x512 i obiektywem 45 mm do drona FPV
Kamera termowizyjna z obiektywem 640x512 i obiektywem 24 mm do drona FPV
Kamera termowizyjna z obiektywem 640x512 i obiektywem 13 mm do drona FPV
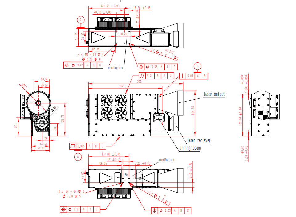
Kamera termowizyjna z obiektywem 640x512 i obiektywem 9,1 mm do drona FPVSTA-Z200M to wojskowy projektowiec docelowy laserowy 200 mJ, który odgrywa kluczową rolę w precyzyjnych systemach celowania, zdolnych do zapewnienia precyzyjnych wskazówek dla inteligentnej amunicji. Za pośrednictwem zaawansowanego systemu optycznego oznacza cel wiązką laserową, zapewniając, że broń przewodnicząca może zniszczyć cel z wyjątkowo wysoką dokładnością i wydajnością.
| Działająca długość fali | 1064 nm ± 1 nm | |
| Energia napromieniowania laserowego | 200mJ | |
| Opóźnienie lekkie | 304 µS ± 1µs | |
| Kąt dyspersji wiązki laserowej | ≤0,2 Mrad | |
| Częstotliwość napromieniowania | 8 ~ 21 Hz | |
| Częstotliwość w zakresie | 10 Hz | |
| Szerokość impulsu laserowego | 10ns ~ 15ns | |
| Stabilność mocy | ≤ ± 8% | |
| Zakres | 0,3 m ~ 30 km (rozmiar docelowy 10 m *10 m *8 m, widoczność 30 km) | |
| Błąd w zakresie | mniej niż lub równe 5 metrów | |
| Wybór celu | pierwszy/drugi/koniec | |
| Dokładna szybkość pomiaru | 98% | |
| Czas uruchamiania | < 1 min (w normalnej temperaturze) | |
| Czas pracy | Tryb w zakresie | Ciągle pracując przez 5 minut, odpoczywaj na 4 minuty, ciągłe 5 cykli (w niskiej/normalnej temperaturze) Ciągle PRACOWANE przez 5 minut, odpoczywaj przez 4 minuty, ciągłe 2cycle (przy wysokiej temperaturze i wyjściowe 85 MJ) Ciągłe działanie przez 2 min, odpoczywaj przez 4 minuty, ciągłe 2Cycle (przy wysokiej temperaturze i 160 mj |
| Tryb napromieniania | Czas napromieniowania 90s, odpoczynek 60s, ciągłe 5 cykli (w niskiej/normalnej temperaturze i 85 MJ wyjściowej) Czas napromieniowania 60s, 60s, ciągłe 5 cykli (w niskiej/normalnej temperaturze i 160 mJ wyjściowej) Czas napromieniowania 90s, ciągły temperaturę 1 lat 60S, w ciągłym 1 cykle (w wysokiej temperaturze i 85 mj) i 60S. i wyjście 160 mJ) | |
| Pełna waga | ≤ 3,3 kg | |

| Szpilka | Definicja | Treść | Rodzaj sygnału | Uwagi |
| 1 | TX+ | RS422 Wyślij pozytyw (lokalny) | Wyjście | Komputer hosta obiektu |
| 2 | TX - | RS422 Wyślij negatyw (lokalny) | Wyjście | Komputer hosta obiektu |
| 3 | Rx+ | RS422 Otrzymuj pozytywne (lokalne) | Wejście | Object Górny komputer |
| 4 | RX - | RS422 Otrzymuj negatywne (lokalne) | Wejście | Object Górny komputer |
| 5 | GND | Ground Rs422 | Ziemia sygnału | Object Górny komputer |
| 6 |
|
|
|
Debugowanie producenta Special |
| 7 |
|
|
|
Debugowanie producenta Special |
| 8 |
|
|
|
Debugowanie producenta Special |
| 9 |
|
|
|
Debugowanie producenta Special |
| 10 |
|
|
|
Debugowanie producenta Special |
| 11 |
|
|
|
Debugowanie producenta Special |
| 12 |
|
|
|
Debugowanie producenta Special |
| 13 |
|
|
|
Debugowanie producenta Special |
| 14 |
|
Zewnętrzny system czasu + | Wejście | RS422 Różnica |
| 15 |
|
Zewnętrzny system czasu - | Wejście | RS422 Różnica |
| Numer pin | Definicja | Uwagi |
| A, b | 24 V. | Kolor drutu jest czerwony |
| PŁYTA CD | GND | Kolor drutu jest czarny |
| Zasilacz i zużycie energii | Zakres zasilania | 20V ~ 33 V, DC |
| Zużycie energii | Moc szczytowa to nie więcej niż 260 W, moc rezerwowa nie jest więcej niż 60 W (normalna temperatura) | |
| Niezawodność | MTBF jest nie mniej niż 4000 godzin (całkowity czas strzelania jest większy niż 3 miliony) | |
| Bezpieczeństwo | Skonfiguruj urządzenie ostrzegawcze do pracy lasera | |
| Wyjście nadajnika laserowego jest wyposażone w oczywiste znaki ostrzegawcze | ||
| Sprzęt jest dobrze uziemiony | ||
| Utrzymanie możliwości | Wszystkie główne elementy funkcjonalne i sprzęt mają zarówno wskaźniki usterki, jak i wskaźniki do normalnego działania | |
| Średni czas naprawy MTTR wynosi nie więcej niż 20 minut | ||
| Wymagania dotyczące kompatybilności elektromagnetycznej | W procesie rozruchu systemu sprzęt może być kompatybilny z innym sprzętem w systemie i normalnie działać | |
| Temperatura | Temperatura robocza | -40 ℃ ~ +60 ℃ | ||||
| Temperatura przechowywania | -40 ℃ ~ +70 ℃ | |||||
| Wilgotne ciepło | Wilgotność względna | 95% ± 3% | ||||
| Temperatura | +25 ° C ± 2 ° C. | |||||
| Czas przechowywania | 72H | |||||
| Wibracja | Kształt widma wibracji (GRM = 6,06) | Od 20 Hz do 80 Hz | +3DB/OCT | |||
| 80 Hz do 350 Hz | G2/0,04 Hz | |||||
| 350 Hz do 2000 Hz | -3db/październik | |||||
| Kierunek i czas wibracji | wibruj w dwóch kierunkach przez co najmniej 10 minut | |||||
| Punkt sterowania | Należy wybrać w urządzeniu lub wstrząsającej powierzchni stołu w pobliżu maksymalnej sztywności produktu, duży sprzęt może użyć średniej kontroli wielopunktowej | |||||
| Punkt monitorowania | Punkt monitorowania powinien zostać wybrany w kluczowej części testowanej produktu, aby reakcja przyspieszania kwadratowego korzeni nie przekracza maksymalnej dopuszczalnej konstrukcji (GRM = 6,06) | |||||
| Wymagania instalacyjne | Próbka jest mocno przymocowana do stolika wstrząsającego, a w przypadku produktów wyposażonych w amortyzatory, amortyzatory należy usunąć przed testowaniem | |||||
| Kontrola wydajności | Podczas testowania wibracji z włączonym sprzętem wszystkie wskaźniki wydajności muszą spełniać wymagania techniczne określone w dokumencie projektowym. W przypadku awarii naprawy są dozwolone. Po naprawie wartość widmowa należy zmniejszyć do 0,01 g²/Hz, Grms = 3,03, a próbkę należy poddać wibracji w kierunku najbardziej podatnym na wibracje przez 10 minut podczas testu akceptacji. | |||||
| Cykl temperatury | Zakres temperatur | Test włączony | -35 ± 3 ℃ ~ +52 ± 2 ℃ | |||
| Szybkość zmiany temperatury | Wzrost temperatury | 10 ℃/min | ||||
| Chłodzenie | 10 ℃/min | |||||
| Czasy cyklu | Należy ukończyć dziesięć cykli, zapewniając, że ostatnie 2 cykle są bez wad. Jeśli uskok wystąpi podczas ostatnich 2 cykli, po naprawie wymagane są dodatkowe 2 cykle wolne od błędów. | |||||
| Czas cyklu | Jeden czas cyklu to 4h, jeden cykl obejmuje wzrost temperatury → Pobyt temperatury → chłodzenie → Pobyt temperatury → Wzrost temperatury | |||||
| Czas przebywania w wysokiej i niskiej temperaturze | Czas przebywania zależy od pojemności cieplnej próbki. Na podstawie zasady przepuszczalności termicznej lub zimnej produktu temperatura wewnętrzna próbki jest utrzymywana przez 5 minut po osiągnięciu stabilności | |||||
| Wymagania testowanego produktu | Ogólny test cyklu temperatury z całą maszyną powinien być jak najdalej, aby otworzyć pokrywę | |||||
| Sprawdź i napraw | W sprzęcie testowym mocy, po każdym teście cyklu temperatury, należy potwierdzić, że sprzęt jest wolny od uszkodzeń przed przejściem do następnego cyklu temperatury | |||||
| Wymagania dotyczące przechodzenia | Przejście odbywa się z całym sprzętem | |||||
| Wymagania transportowe | Sprzęt musi być transportowany jako cały pojazd | |||||
| Jeśli produkt nie został poddany testowi transportu drogowego, możesz wykonać test symulacji transportu wewnętrznego za pomocą tabeli transportu symulacyjnego. Ten test obejmuje przeprowadzenie sinusoidalnego testu wibracji cyklicznych w celu oceny wydajności produktu | ||||||
| Wymagania symulowanego testu tabeli transportowej są następujące | ||||||
| Warunki testowe | Częstotliwość | 5Hz ~ 200 Hz | ||||
| Amplituda | 5Hz ~ 7Hz | |||||
| Amplituda 12 mm ~ 8 mm | ||||||
| 7Hz ~ 200 Hz równe przyspieszenie 1,5 g | ||||||
| Dopuszczalne odchylenie testu wibracji jest takie same, jak szerokopasmowy test losowych wibracji | ||||||
| Kierunek | Pionowy kierunek i bok; orientacja: pionowy i boczny do osi | |||||
| Czas cyklu | log-skan 5 Hz ~ 200 Hz ~ 5 Hz, 12 minut na cykl; Gdy częstotliwość rezonansowa próbki jest mierzona poniżej 5 Hz, częstotliwość testu można rozszerzyć do 2Hz, 2Hz ~ 200 Hz ~ 2Hz skanowanie, czas skanowania powinien wynosić 15 minut. | |||||
| Po teście transportowym sprawdź wszelkie oznaki uszkodzeń lub rozluźnienia strukturalnego i przeprowadzaj kontrolę wskaźników technicznych, aby upewnić się, że spełniają wymagania projektowe | ||||||